欢迎来到柆柯自动化工程(苏州)有限公司官网!
网站首页
关于我们
联系我们
服务热线:
18020283255
网站首页
关于我们
公司简介
产品中心
ABB
英威腾
施耐德电气
其他
滤芯
快速订购
下载中心
ABB资料下载
英威腾资料下载
成功案例
新闻资讯
公司新闻
行业新闻
联系我们
产品中心
Product Center
ABB
ABB伺服
ESM伺服电机
DSM伺服
HDS伺服电机
防爆伺服电机
E530驱动器
E190驱动器
E180驱动器
ABB变频器
ACS180
ACS355
ACS510
ACS530
ACS550
ACS580
ACS880
ABB伺服——配套电缆
ESM伺服配套电缆
HDS伺服配套电缆
防爆伺服线缆
DSM伺服配套线缆
ABB PLC
AC500 PLC模块
AC600系列人机界面
AC500 eCo PLC 模块
ABB低压
英威腾
英威腾伺服
IMS20B 电机
DA180A驱动器
DA200A驱动器
英威腾变频器
GD270
GD27
GD28
GD200A
GD20
GD600
GDS800
施耐德电气
断路器
接触器
按钮,开关,指示灯
电源及变压器
其他
佰多恩-安全产品
安全继电器
安全门锁
滤芯
真空过滤器
服务热线:
18020283255
产品中心
您现在的位置:
首页
>产品中心 > ABB >
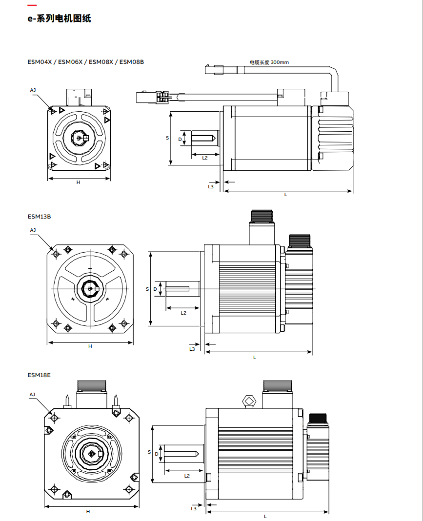
ESM伺服电机
ABB-ESM系列伺服电机
xinwen
电话
18020283255
0512-65001535
15365311681
取消
微信
微信在线客服
扫一扫,详细了解产品业务。
产品
首页
电话
18020283255
0512-65001535
15365311681
微信
扫一扫关注